КМВГ-А-6Х
Доступен для скачивания
краткий каталог продукции:
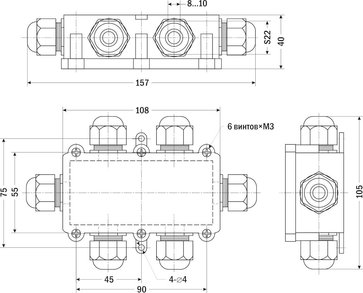
Распределительная коробка КМВГ-А-6Х предназначена для устройства мест соединения и разветвления различных типов проводов в силовых или слаботочных сетях. Коробка герметична, обладает степенью защиты IP68 и предназначена для длительной работы под водой
Монтаж:
На задней панели коробки расположены два отверстия для установки на стену (плоскость). Размеры монтажных отверстий представлены на чертеже.
В комплекте идет уплотнение, которое необходимо вставить в паз на корпусе коробки
В комплекте идет уплотнение, которое необходимо вставить в паз на корпусе коробки

Технические характеристики:
| Параметр | Значение |
| Материал корпуса
| Поликарбонат
|
| Конструкция
| Квадратная с крышкой
|
| Крепление крышки | Винтовое М3 |
| Крепление коробки | Винтовое на поверхность |
| Температура эксплуатации | −40...+105°C |
| Количество входов | 6 |
| Номинальный ток | 24 А |
| Номинальное напряжение
| 450 В
|
| Сечение жил кабеля | 0,5...6 мм² |
| Диаметр кабеля | 8...10 мм |
| Степень пылевлагозащиты | IP68 |
| Глубина погружения | до 10 м |
| Габаритные размеры | 105×157×40 мм |
| Вес | 138 г |
| Габаритные размеры |
![]() |
| Монтажные отверстия
|
![]() |
Версия: 2025-12-08-СДГ

